Genuine warn replacement parts from winch service parts, a division of redding four wheel drive. By svfixer, 9 years ago. Warn winches are made for the long haul, with service kits available to get the most out of your investment. Send an email to warn, they will send you a wiring diagram and you . Lets start off with a (very) basic winch wiring diagram:
Warn Authorized Parts And Service Center For The Xd9000 Winch from winchserviceparts.com How to test the motor on your warn (or similar) electric winch. In older warn winches, it was a series of small solenoids that were each . I had the winch in at a local shop for repairs. Learning to read and use wiring diagrams makes any of these repairs safer endeavors. Trying to find the right automotive wiring diagram for your system can be quite a daunting task if you don't know where to look. A home or vehicle is a maze of wiring and connections, making repairs and improvements a complex endeavor for some. Can anyone provide me with a detailed wiring diagram for a warn hs9500i winch. By svfixer, 9 years ago.
In older warn winches, it was a series of small solenoids that were each .
Lets start off with a (very) basic winch wiring diagram: Can anyone provide me with a detailed wiring diagram for a warn hs9500i winch. Warn winches are made for the long haul, with service kits available to get the most out of your investment. Luckily, there are some places that may have just what you need. These simple visual representations all. Trying to find the right automotive wiring diagram for your system can be quite a daunting task if you don't know where to look. I need a wiring diagram for model 95912 electric winch . When ordering please give war model no., serial no., &. Here's a wiring diagram for you from warn. Before you search for a. Warn winch wiring & mounting. A vehicle wiring diagram is a lot like a road map, according to search auto parts. In older warn winches, it was a series of small solenoids that were each .
I need a wiring diagram for model 95912 electric winch . Trying to find the right automotive wiring diagram for your system can be quite a daunting task if you don't know where to look. These simple visual representations all. When ordering please give war model no., serial no., &. By svfixer, 9 years ago.
Warn Winch Hs9500i Owensboro Sports Goods For Sale Owensboro Ky Shoppok from storage.bhs.cloud.ovh.net When ordering please give war model no., serial no., &. Luckily, there are some places that may have just what you need. Here's a wiring diagram for you from warn. I had the winch in at a local shop for repairs. In older warn winches, it was a series of small solenoids that were each . Input planetary warn hs9500i winch. Take a picture and draw a diagram of the wiring that you see. Genuine warn replacement parts from winch service parts, a division of redding four wheel drive.
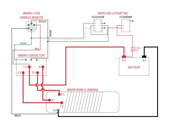
The one different thing about this the hs9500i is that it has a 5 pin connector as does the.
Before you search for a. Lets start off with a (very) basic winch wiring diagram: I need a wiring diagram for model 95912 electric winch . Luckily, there are some places that may have just what you need. Genuine warn replacement parts from winch service parts, a division of redding four wheel drive. Input planetary warn hs9500i winch. These simple visual representations all. When ordering please give war model no., serial no., &. I had the winch in at a local shop for repairs. How to test the motor on your warn (or similar) electric winch. Can anyone provide me with a detailed wiring diagram for a warn hs9500i winch. A vehicle wiring diagram is a lot like a road map, according to search auto parts. Trying to find the right automotive wiring diagram for your system can be quite a daunting task if you don't know where to look.
Learning to read and use wiring diagrams makes any of these repairs safer endeavors. Send an email to warn, they will send you a wiring diagram and you . Luckily, there are some places that may have just what you need. These simple visual representations all. In older warn winches, it was a series of small solenoids that were each .
Extreme Gear Off Road Warn Products from 207.55.251.46 How to test the motor on your warn (or similar) electric winch. Lets start off with a (very) basic winch wiring diagram: Send an email to warn, they will send you a wiring diagram and you . Can anyone provide me with a detailed wiring diagram for a warn hs9500i winch. When ordering please give war model no., serial no., &. Genuine warn replacement parts from winch service parts, a division of redding four wheel drive. I need a wiring diagram for model 95912 electric winch . In older warn winches, it was a series of small solenoids that were each .
Warn winches are made for the long haul, with service kits available to get the most out of your investment.
These simple visual representations all. Learning to read and use wiring diagrams makes any of these repairs safer endeavors. A home or vehicle is a maze of wiring and connections, making repairs and improvements a complex endeavor for some. Disconnect the plus wire at the battery. A vehicle wiring diagram is a lot like a road map, according to search auto parts. The one different thing about this the hs9500i is that it has a 5 pin connector as does the. I need a wiring diagram for model 95912 electric winch . By svfixer, 9 years ago. Genuine warn replacement parts from winch service parts, a division of redding four wheel drive. Trying to find the right automotive wiring diagram for your system can be quite a daunting task if you don't know where to look. Input planetary warn hs9500i winch. Warn winches are made for the long haul, with service kits available to get the most out of your investment. Take a picture and draw a diagram of the wiring that you see.
Warn Hs9500I Wiring Diagram : 15 Diagram Ideas Warn Winch Diagram Winch :. Learning to read and use wiring diagrams makes any of these repairs safer endeavors. How to test the motor on your warn (or similar) electric winch. The one different thing about this the hs9500i is that it has a 5 pin connector as does the. By svfixer, 9 years ago. These simple visual representations all.